按應用分類
型號:SDL-u1877A-110A700
產品使用對象:斷路器
產品執行功能:推動部件
大力沖床電磁鐵/離合器電磁鐵/斷路器開關電磁鐵參數
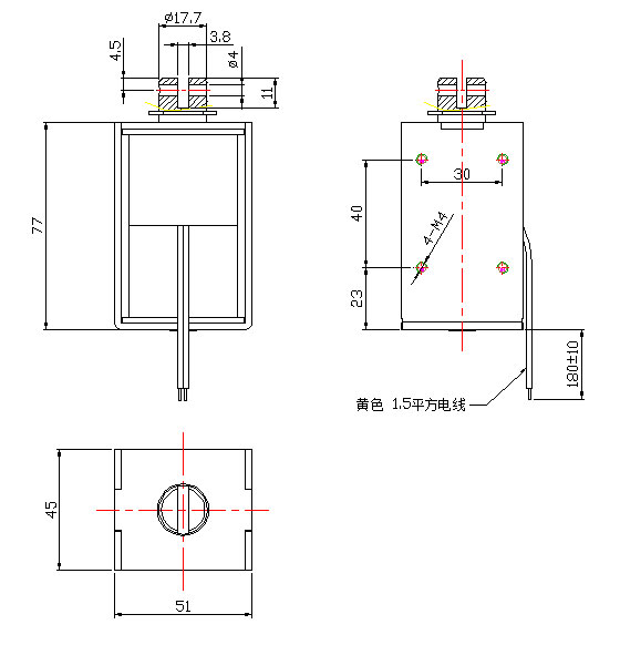
| 電壓: | DC110 | 行程: | 15mm | 電阻: | 700歐 | 功率: | |
| 耐溫: | 155度 | 壽命: | 50萬次以上 | 耐電壓: | 1500V | 初始力: | 1kg |
| 電流: | 通電率: | 彈簧回力: | 吸力: |
大力沖床電磁鐵/離合器電磁鐵/斷路器開關電磁鐵產品詳情
產品名稱:開關電磁鐵
型號:SDL-u1877A-110A700
行程:15mm
電壓:DC110
初始力:1kg
通電率:100%
電阻:700歐
壽命:50萬次以上
樣品使用行業:斷路器
樣品執行功能:推動部件
拓展適用行業:離合器
電線外露180mm
說明:
1. 電磁鐵鐵芯耐磨,撞擊性好,長年使用頂部無損;
2. 線包采用優質漆包線制成,耐溫,耐高壓,電流穩定,磁感應強度穩定;
3.良好的框架結構設計和鉚合,有效解決電磁鐵散架問題。
4.電磁鐵壽命達到50萬次以上。動感持久不衰。
產品特點:通電時間長,力度大



廣州思德隆電子有限公司(http://m.uni-sh.com)創立于2005年,是一家專業生產研發電磁鐵,電磁閥,電磁線圈,小型電磁鐵等各類電磁產品,擁有豐富行業經驗的廣州電磁鐵、電磁閥、電磁線圈廠家。品種多樣,規格齊全,產品從零部件到成品組裝均有自己的加工設備以及流水線,擁有高精密度檢測儀器和自主研發的老化設備,大力沖床電磁鐵,離合器電磁鐵,開關電磁鐵,斷路器開關電磁鐵從產品設計到樣品以及量產,均有量化高效的工藝流程及老化實驗檢測,保證了產品的質量與訂單的按時交貨。
關鍵詞:大力沖床電磁鐵,離合器電磁鐵,斷路器開關電磁鐵
| 上一篇:電梯安全裝置觸發電磁鐵 |
| 下一篇:按摩槍電磁鐵 |






